
T2530圓管電磁鐵,具有精密的結構,屬于高精密圓管電磁鐵,有26個精密配件緊湊組裝而成,具有行程大、力量大。有消音、減噪的功能。
T2530圓管電磁鐵具體介紹如下:
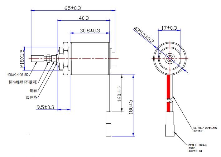
一、2530圓管電磁鐵尺寸圖如下:

圖解:圖中標注了電磁鐵的結構組成已經尺寸,如果您要求的尺寸和上述要求不同,請您來電洽談,我們會根據您的要求定制您需要的尺寸和需要的性能。
二、T2530圓管電磁鐵的參數:
1,力量:行程在4.5mm時,力量大于150克。
2,電氣參數:電壓:DC24V
功率:17.4W
電流:0.72A
直流電阻:33Ω
工作循環:25%通電
3,溫升和壽命:DC24工作環境下,溫升為65℃,典型的工作壽命為50萬次以上。
三、T2530圓管電磁鐵的運用:主要用于繡花機、紡織機、自動化設備、家用電器、醫療器械等。
磁心科技---用心服務!